
Overview
Harmonic Drive XSD-2UH Series is more compact than XSF Series/Gearheads type (2UH) which has the same torque capacity.
This is a simple unit type with a built-in high stiffness cross roller bearing on the output to cope with axial loads. It is best suited for applications that demand compact design.
Features:
• Backlash less than 20 arcmin
• Ultra-flat
• Compact and simple design
• High load capacity
• Lightweight
Model Ordering Code:
XSD - | 20 - | 100 - | 2UH - | SP |
1 | 2 | 3 | 4 | 5 |
1. | Name of Model | XSD Series |
2. | Size | 14,17,20,25,32,40,50 |
3. | Gear Ratio | 50, 80,100, 160 |
4. | Model 2UH |
|
5. | SP | Used for Customized Specification only Standard product |
List of Ratings :
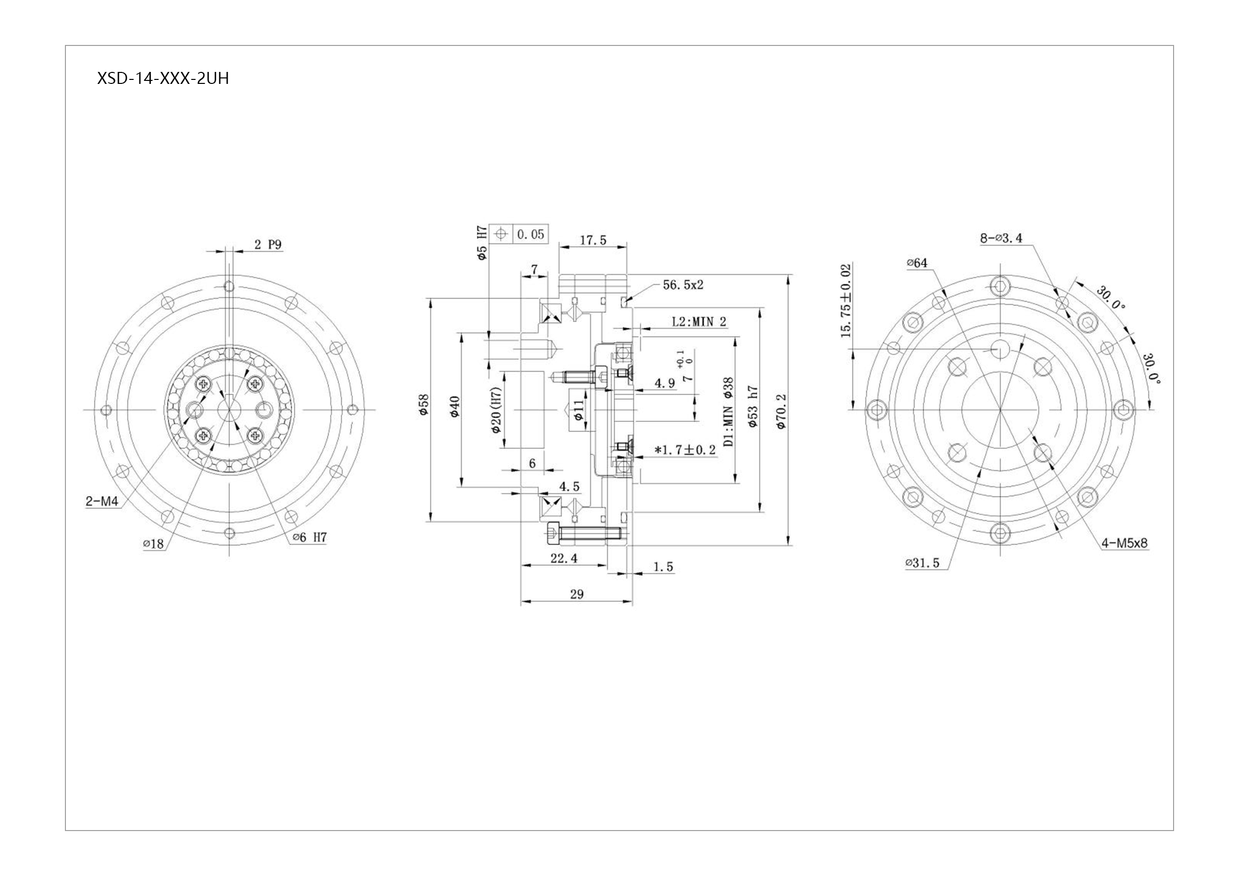
Product drawing and dimensions :


Dimension drawing download as follows: